Чтобы увидеть цены, необходимо пройти регистрацию компании. Авторизуйтесь или создайте аккаунт
Компьютеры и комплектующиеНастольные компьютерыСетевое и серверное оборудование, СХДПечатная техникаКартриджи и комплектующиеСистемы автономного электроснабженияЭлементы питанияДемонстрационное оборудование и аксессуарыКоммерческая визуализацияЛетательные аппараты и комплектующиеФото и Видео техникаБытовая техникаСадовая техникаОборудование для торговли и автоматизацииПланшетыМобильные телефоны и аксессуарыСмарт часы и браслетыНаушники и микрофоныАкустические системыРюкзаки, чемоданы, сумкиТелевизоры и аксессуарыНосители информацииКабельные системыЭлектротехническое оборудование и автоматизацияКабелиОсвещениеБытовая химияИнструментыЭлектротранспортИгрушки, игровые устройства, аксессуарыБассейны, батуты и товары для отдыха на пляжеОтдых и туризмМультимедиа устройстваСистемы безопасностиАксессуары для автомобилейКанцелярские товарыДом и офисКрасота и здоровьеПодкаталог
Заглушка цельная ТС, DKC, 37261, 80х80
Заглушка цельная ТС, DKC, 37261, 80х80
Заглушка цельная ТС, DKC, 37261, 80х80
Полное название товара
Заглушка цельная ТС, DKC, 37261, 80х80
Артикул
4690309572771
Номер товара
57954
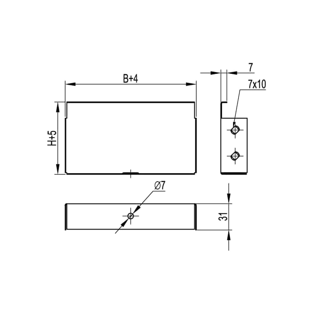
Цельная торцевая заглушка DKC 37261 ТС 80х80 предназначена для надежной защиты кабельной трассы от внешних воздействий и загрязнений. Она устанавливается в местах окончания кабельной трассы, обеспечивая аккуратное и безопасное завершение монтажа. Данная заглушка совместима с лотками высотой 80 мм и шириной 80 мм. Изготовленная из стали, она обеспечивает долговечность и прочность конструкции, являясь неотъемлемой частью кабеленесущих систем DKC, применяемых в гражданских и промышленных объектах.
ДКС
Цена действительна только для интернет-магазина и может отличаться от цен в розничных магазинах
Описание товара
Цельная торцевая заглушка DKC 37261 ТС 80х80 предназначена для надежной защиты кабельной трассы от внешних воздействий и загрязнений. Она устанавливается в местах окончания кабельной трассы, обеспечивая аккуратное и безопасное завершение монтажа. Данная заглушка совместима с лотками высотой 80 мм и шириной 80 мм. Изготовленная из стали, она обеспечивает долговечность и прочность конструкции, являясь неотъемлемой частью кабеленесущих систем DKC, применяемых в гражданских и промышленных объектах.
Отзывы
Увы, пока нет отзывов
Будьте первым, кто поделится своим мнением!
Вам также может понравиться