Чтобы увидеть цены, необходимо пройти регистрацию компании. Авторизуйтесь или создайте аккаунт
Компьютеры и комплектующиеНастольные компьютерыСетевое и серверное оборудование, СХДПечатная техникаКартриджи и комплектующиеСистемы автономного электроснабженияЭлементы питанияДемонстрационное оборудование и аксессуарыКоммерческая визуализацияЛетательные аппараты и комплектующиеФото и Видео техникаБытовая техникаСадовая техникаОборудование для торговли и автоматизацииПланшетыМобильные телефоны и аксессуарыСмарт часы и браслетыНаушники и микрофоныАкустические системыРюкзаки, чемоданы, сумкиТелевизоры и аксессуарыНосители информацииКабельные системыЭлектротехническое оборудование и автоматизацияКабелиОсвещениеБытовая химияИнструментыЭлектротранспортИгрушки, игровые устройства, аксессуарыБассейны, батуты и товары для отдыха на пляжеОтдых и туризмМультимедиа устройстваСистемы безопасностиАксессуары для автомобилейКанцелярские товарыДом и офисКрасота и здоровьеПодкаталог
Соединитель усиленный горизонтальный GTO 80L, DKC, LG8000
Соединитель усиленный горизонтальный GTO 80L, DKC, LG8000
Соединитель усиленный горизонтальный GTO 80L, DKC, LG8000
Полное название товара
Соединитель усиленный горизонтальный GTO 80L, DKC, LG8000
Артикул
4690309608968
Номер товара
54146
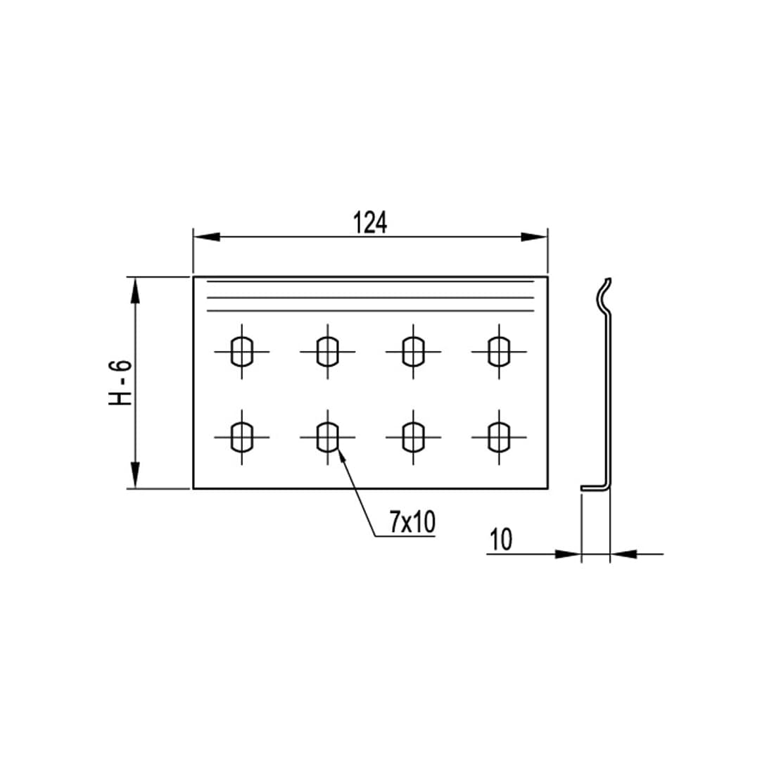
Усиленный горизонтальный соединитель GTO 80 L из серии L5 Combitech от DKC LG8000 предназначен для соединения прямых элементов лестничных лотков и аксессуаров. Изделие изготовлено из стали и имеет защитное покрытие по методу Сендзимира. Длина изделия составляет около 124 мм, что обеспечивает надежное соединение на участках с высокой нагрузкой. Этот элемент входит в линейку аксессуаров для лестничных лотков и поддерживает монтаж кабельных трасс, совместим с другими элементами серии L5.
ДКС
Цена действительна только для интернет-магазина и может отличаться от цен в розничных магазинах
Описание товара
Усиленный горизонтальный соединитель GTO 80 L из серии L5 Combitech от DKC LG8000 предназначен для соединения прямых элементов лестничных лотков и аксессуаров. Изделие изготовлено из стали и имеет защитное покрытие по методу Сендзимира. Длина изделия составляет около 124 мм, что обеспечивает надежное соединение на участках с высокой нагрузкой. Этот элемент входит в линейку аксессуаров для лестничных лотков и поддерживает монтаж кабельных трасс, совместим с другими элементами серии L5.
Отзывы
Увы, пока нет отзывов
Будьте первым, кто поделится своим мнением!
Вам также может понравиться